| اسم القطعة: | حلقة O |
| رقم القطعة: | 4348665 |
| ماركة: | هيتاشي |
| بلد المنشأ | اليابان |
| طلب: | الحفارات |
| موعد التسليم: | من 1 إلى 3 أيام عمل |
| التعبئة والتغليف: | صندوق كرتون |
| ضمان: | 6 أشهر |
| خدمة ما بعد البيع | استجابة سريعة، تم حل المشكلة خلال 24 ساعة |
فئات المنتجات: مجموعات قطع المطاط والأختام
Original HITACHI Excavator O Ring 4348665 for ZX200-3
| معلومات التعبئة: | |
| الطول (سم) | 11.4 |
| العرض (سم) | 8.9 |
| الارتفاع (سم) | 0.3 |
| الوزن (كجم) | 0.01 |

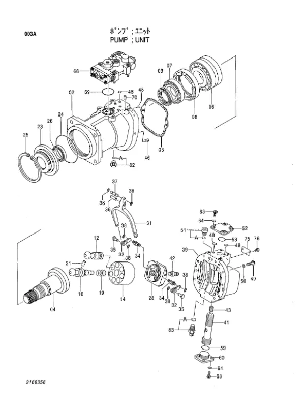
| الأجزاء الموجودة في مجموعة المضخة؛ الوحدة: | ||||
| موقف | رقم القطعة | الكمية | اسم القطعة | تعليقات |
| 9166356 | [2] | وحدة المضخة | أنا 9169054 9166356<BR><for assembly of machine> | |
| 9169054 | [2] | وحدة المضخة | <for transportation> | |
| 2 | 1014184 | [1] | غلاف؛مضخة | |
| 3 | 8068521 | [1] | التعبئة والتغليف | |
| 4 | 2038877 | [1] | القرص؛ القيادة | |
| 6 | 4366256 | [1] | BRG.؛ROL. | |
| 7 | 4366356 | [1] | BRG.؛ROL. | |
| 8 | 3035965 | [1] | فاصل | |
| 9 | 4191665 | [1] | الجوز؛BRG. | |
| 12 | 8051275 | [7] | مكبس | |
| 14 | 2022744 | [1] | الدوار | |
| 16 | 3081023 | [1] | العمود؛ المركز | |
| 19 | 4194362 | [1] | الربيع؛الضغط | |
| 21 | 4198956 | [1] | دبوس | |
| 23 | 3035966 | [1] | غطاء؛ ختم | |
| 24 | 4191664 | [1] | حلقة دائرية | |
| 25 | 4094325 | [1] | حلقة؛ الاحتفاظ | |
| 26 | 4232070 | [1] | ختم؛ زيت | |
| 28 | 9749142 | [1] | صمام | |
| 31 | 3039569 | [1] | وصلة | |
| 32 | 9724756 | [2] | رافعة | |
| 34 | 4179179 | [2] | دبوس | |
| 35 | 4179177 | [2] | دبوس | |
| 36 | 4200227 | [1] | دبوس | |
| 37 | 4179176 | [1] | دبوس | |
| 38 | 4146370 | [6] | حلقة؛ الاحتفاظ | |
| 39 | 1022441 | [1] | رأس | |
| 41 | 3036326 | [1] | مكبس؛سيرفو | |
| 42 | 4193245 | [1] | دبوس | |
| 43 | 4179838 | [1] | مجموعة البراغي | |
| 46 | 4099290 | [2] | دبوس؛ زنبرك | |
| 48 | 4180349 | [10] | حلقة دائرية | |
| 49 | M341245 | [8] | الترباس؛ المقبس | |
| 50 | 495841 | [8] | غسالة؛ زنبرك | |
| 51 | 9134110 | [1] | سدادة | |
| 51أ. | 957366 | [1] | حلقة دائرية | |
| 52 | 4367531 | [1] | سدادة | ي 4204862 |
| 52 | 4204862 | [1] | سدادة | |
| 53 | 4355081 | [1] | حلقة دائرية | |
| 59 | 4294621 | [1] | حلقة دائرية | |
| 60 | 4367533 | [1] | سدادة | ي 4216295 |
| 60 | 4216295 | [1] | سدادة | |
| 63 | M340820 | [8] | الترباس؛ المقبس | |
| 64 | 4514388 | [8] | غسالة؛ زنبرك | |
| 66 | 9166357 | [1] | منظم | أنا 9169053 9166357<BR><for assembly of machine> |
| 66 | 9169053 | [1] | منظم | <for transportation> |
| 69 | 4348665 | [1] | حلقة دائرية | |
| 70 | 4515041 | [2] | دبوس؛ زنبرك | |
| 75 | 3081038 | [1] | لوحة الاسم | |
| 76 | M492564 | [2] | برغي؛ محرك | |
| 82 | 9134111 | [1] | سدادة | |
| 82A. | 4509180 | [1] | حلقة دائرية | |
| 83 | 4355012 | [1] | المستشعر؛الضغط | |
| 83أ. | 4365826 | [1] | حلقة دائرية | |
Compatible equipment models: ZX200LC-HHE ZX210-3-AMS ZX210-3-HCME ZX210-AMS ZX210-HCME ZX210H ZX210H-3 ZX210H-3-HCMC ZX210H-3G ZX210H-5G ZX210K ZX210K-3 ZX210K-3-HCMC ZX210K-3G ZX210LC-3-HCMC ZX210K-5G ZX210LC-3G ZX210LCH-5G ZX210LCK-3-HCMC ZX210LCK-5G ZX210N-3-AMS ZX210N-3-HCME ZX210N-AMS ZX210N-HCME ZX210W Zx210W-3 ZX210W-3-AMS ZX210W3-HCMC ZX210W-AMS ZX210W-3DARUMA ZX220W-3 ZX225US ZX225US-3 ZX225US-3-HCME ZX225US-E ZX225US-HCME ZX225USR-3 ZX225USR ZX225USR-E ZX225USR-HCME ZX225USRK ZX225USRK-3 ZX230 ZX230-HHE ZX240-3 ZX240-3-AMS ZX240-3-HCMC ZX240-5G ZX240-AMS ZX240-3G ZX240-HCME ZX240H ZX240K ZX240LC-3G ZX240LC-5G ZX250-AMS ZX240LC-HHE ZX240N-3-HCME ZX250H-3 ZX250H-3G ZX250K-3G ZX250-HCME ZX250H-5G ZX250K-3 ZX250K-5G ZX250LC-3-HCMC ZX250LC-3-HCME ZX250LC-3G ZX250LC-5B ZX250LCH-5G ZX250LCK-5G ZX250LCN-5B ZX250W-3 ZX260LCH-3G ZX280LC-3 ZX280LC-3-HCME ZX270 ZX270-3 ZX270-HHE ZX280-5G ZX280LC-HCME ZX280LC-5G ZX280LC-AMS ZX280LCH-3 ZX290LC-5B ZX330-3G ZX330-3-HCMC ZX290LCN-5B ZX300W ZX330 ZX330-3 ZX330-HHE ZX350H-3 ZX330-5G ZX330LC-5G ZX350-3-AMS ZX350H ZX350H-5G ZX350H-3G ZX350K ZX350K-3 ZX350K-3G ZX350K-5G ZX350LC-3-HCME ZX350LC-5B ZX350LC-HCME ZX350LCH-5G ZX350LC-AMS ZX350LCK-5G ZX350LCN-5B ZX360H-3G ZX360LC-HHE ZX360W-3 ZX370MTH ZX400W-3 ZX500W EX210H-5 EX220-5HHE EX230K-5 EX300LC-5M EX2T0H-5 JPN EX225USR(LC) EX230LC-5HHE EX300LCLL-5 EX2T0K-5 JPN EX220-5EX220-5 JPN EX225USRK(LC) EX230-5 EX230H-5 JPN EX270-5 EX280H-5 EX300-5 EX300LCLL-5M EX345USR(LC) EX300-5HHE EX350H-5 EX350K-5HR1200SGM EX370-5MHU230-ASR2000G EX370HD-5 EX350H-5HHE EX370LL-5M EX385USR 1ZX200 HR1200SG 1ZX200LC MA145-5 MA200 RX2300 VR512 ZH200-A MA200-G ZH200LC-A ZR420JC ZR130HC ZR900TS ZR950JC ZX110 ZX110-3 ZW250-5B ZX110M-3-HCME ZX110-3-AMS ZX110-3-HCME ZX110-E ZX110M ZX110M-3 ZX120 ZX120-3 ZX120-E ZX120-HCMC ZX125US ZX125US-E ZX125W Zx130-3 ZX130-3-AMS ZX130-3-HCME ZX130-AMS ZX130-HCME ZX130H ZX130K-3 ZX130LCN-3F-AMS ZX130LCN-3FHCME ZX135UR ZX135US ZX135US-3 ZX135US-3F-AMS ZX135US-3F-HCME ZX135US-3-HCME ZX135USK ZX140W-3-AMS ZX135US-E ZX140W3 ZX135USK-3 ZX135UST ZX140WL3DARUMA ZX145W3 ZX145W-3-AMS ZX160LC-3-HCME ZX170W-3 ZX170W-3-AMS ZX180LC-3-AMS ZX180LC-3-HCME ZX180W ZX200 ZX190W-3-AMS ZX190W-3DARUMA ZX200-E ZX200-3G ZX200-5G ZX200-HHE ZX200LC-HHE ZX210-3-AMS ZX210-3-HCME ZX160LC-3 ZX160LC-3-AMS ZX170W-3DARUMA ZX180LC-3 ZX180W-AMS ZX190W-3 ZX200-3 ZX200-3-HCMC Zx200-x ZX210-AMS ZX200LC-5G ZX210-HCME ZX210H ZX210K-3 ZX210H-3 ZX210H-3-HCMC ZX210K-3-HCMC ZX210K-3G ZX210H-3G ZX210K-5G ZX210H-5G ZX210K ZX210LC-3-HCMC







